鲸鱼体育直播官网_鲸鱼体育直播在线观看免费_鲸鱼体育直播软件

国盛机械 > 产品中心 > 给料机设备 >
ZDL振动给料斗

ZDL振动给料斗

热销

【进料粒度】:≤100mm

【生产能力】:≤1500t/h

【应用范围】:适用于铸型沙、铁矿石、烧结矿、矿粉、氧化铁粉、煤粉

【产品介绍】:ZDL振动给料机也叫振动料斗,是一款新型破拱和给料设备,主要是由定向机构、圆形料斗、底座支架、支撑弹簧、料斗和驱动装置和电磁铁等部件组成

销售热线: 18637334419

振动给料斗

      ZDL振动给料斗是一款新型破拱和给料设备,主要是由定向机构、圆形料斗、底座支架、支撑弹簧、料斗和驱动装置和电磁铁等部件组成,圆形料斗内侧设计有螺旋上升的卸料槽,设备的定向机构通常情况下会安装在卸料槽的出口处,通过料斗的不停振动,使得物料活化,均匀送料,防止物料起拱或堵塞料口该设备可以实现完全密封输送,粉尘不外扬,不污染环境。
 
ZDL振动给料机
 
应用范围
 
在农业方面:家畜饲料、养料、粉料等。
在建材工业方面:水泥、水泥生料、付料等。
在木材工业方面:木屑、锯木面、副产品等。
在塑料工业方面:塑料粉、塑料颗粒、磨碎了的片料等。
在环保方面:过滤物、回收物、苏打灰、飞灰、固定残渣、废料等。
在陶瓷工业方面:粘土、陶土、二氧化硅、砂、抛光材料、熟石膏、铝氧化粉等。
在粮食及食品工业方面:面粉、大豆、花生、淀粉、奶粉、食盐、砂糖、维生素补品等。
在机械及冶金工业方面:铸型沙、铁矿石、烧结矿、矿粉、氧化铁粉、煤粉、二氧化锰、氧化铝粉、氧化亚铅、铝粉、氧化钛、铁合金、非铁合金添加剂、粘结剂、混合料等。
在军工及化学工业方面:硫酸铵、硝酸an、高氯酸铵、氯化钾、固体喷气燃料、氯化氨、尿素、碳酸氢钠、硫酸钡、纯碱、滑石、碳黑、活性碳、煤粉、熟石灰、颜料、添加剂等。
 
振动料斗

产品特点

1.由于设备设有定向机构,可以防止物料堵塞、起拱,破拱助流能力强。而且还有给料的作用,连续、均匀、准确,并且不必再安装料仓闸门。
2.该设备结构简单,安装操作简便,运行平稳可靠,消耗的能量少,所产生的噪音低,对各个配件的磨损比较少,维修方便。
3.密封性好,实现全封闭给料,无需局部防尘或防毒。
 
振动料仓
 
4.安装高度低,可取代料仓锥体或部分锥体,不需要基础和附加装置。
5.较大的优势就是设有电器控制系统,在?;彼墓咝孕。蕹寤髁?。
6.仓内物料排出过程无颗粒度离析现象。
 
料斗振动器

工作原理

      ZDL振动给料斗是用螺栓固定在储料仓下部,料斗内装有球面活化器,它将水平方向的激振力分解为沿球面法线方向和切线方向的分力。法线方向沿放射方向传递到物料深处,从而破坏了料仓内的垂直料拱,促使活化器上部的物料从中心向四周快速移动,再沿仓壁下滑,实现物料的整体流动,从出料口均匀排出。
 
振动给料机工作原理
 
      振动料斗外侧安装有振动电机,它是振动料斗的激振源,当电磁铁线圈中通入电流后,设备的料盘被会被带动 作小振幅高频率的上下往复式振动并通过倾斜安装的支承弹簧同时产生微振幅往返扭振,振动斗由橡胶减振装置吊装在固定斗下部,固定斗与振动料斗之间的缝隙用橡胶圈密封着,电机启动后,产生惯性激振力,使振动料斗内的球面活化器产生强烈的水平振动,从而完成给料目的。
      设备在运行中,可以通过调整激振力的大小和电磁铁线圈的输入电压,可以有效改变设备的喂送量。
 
振动给料机频率

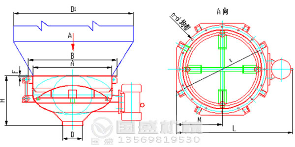
振动料斗型号参数

型号 振动斗直径A 相配料仓直径Φ(M) 参考流量 电机功率KW 外形尺寸 法兰外径C 安装尺寸 重量(kg) 激振力范围(kg) 出料口D
生料(t/h) 水泥(t/h) 长L 高H 法兰盘直径B 孔数n 孔径d
GZD04 400 0.4-0.8 4-7 6-13 0.15 670 295 490 450 12 14 50 0-150 120
GZD06 600 0.6-1.2 7-13 8-20 0.2 900 396 710 660 16 14 100 0-250 150
GZD08 800 0.8-1.6 15-30 35-50 0.5 1120 530 930 880 16 20 180 0-500 200
GZD10 1000 1.0-2.0 20-50 50-80 0.75 1305 635 1130 1080 16 20 300 0-1000 250
GZD12 1200 1.2-2.4 30-100 1.10 1680 730 1330 1280 16 20 450 0-1500 250
GZD15 1500 1.5-3.0 40-120 1.50 2080 930 1660 1590 24 24 650 0-2000 300
GZD20 2000 2.0-4.0 60-160 1.50 2420 1055 2200 2120 36 24 1200 0-3000 400

常见故障

1.振动料斗的固定法兰与斗体间密封处漏料。
      原因可能为密封圈和密封帆布损坏或扎紧不可靠。更换密封圈和密封帆布,扎紧扎紧带。
2.振动料斗运行噪音异常。
      应立即检查并紧固振动电机安装螺栓和其它紧固件螺栓;振动料斗与四周设备有接触和磕碰现象,调整料斗斗体的安装,保证料斗斗体与四周设备和物体之间间隙不小于50mm。
3.投料试运行不能满足产量需求。
      原因可能为振动电机激振力偏小,物料湿度过大、粘接影响物料的流动速度。打开振动电机端罩,调整偏心块夹角,增加振动电机的激振力,并保证振动电机两端激振力一致;减小球形顶板的尺寸,增大物料流动通道面积。
 
振动给料机常见故障

 
示意图

 
振动料斗示意图


振动料仓示意图

安装流程

      首先,先把固定斗用螺栓固定在储料仓下部的法兰上,再将振动料斗用减振装置吊挂在固定斗下方。固定斗下平面和振动料斗上平面之间的缝隙用橡胶套密封。注意振动料斗出料口和受料口间须留10-20mm间隙。 
      其次,调整减振装置的位置,使振动斗上平面与固定斗下平面平行,间隙10-30mm;振动料斗有三种不同直径的活化器,根据物料性质和粒度来选择合适的活化器,并用螺栓紧固在振动斗的支承架上。
 
振动料斗安装流程
 
      *后,调节振动电机激振力,使给料量达到要求,可配变频控制箱,以实现给料量的手动和自动控制。
      试机运转后,应及时检查电机底脚螺栓、减振装置等参振部分螺栓是否松动。
      正式投产后,需定时检查,发现有松动情况要及时处理。给料机料斗安装得当,方能确保振动料斗的良好运作。
 
振动料仓法兰

客户案例

建筑垃圾再生处理生产线
建筑垃圾再生处理生产线

加工物料:建筑垃圾

生产能力:≤100m3h

设备配置:圆盘给料机

查看详情
我为车间劳动者击掌
我为车间劳动者击掌

加工物料:化工原料

生产能力:660-770t/h

设备配置:5台FZC3.5/1.2-5.5振动放矿机

查看详情
感谢泥浆处理站王经理的
感谢泥浆处理站王经理的

加工物料:泥浆

生产能力:450m3/h

设备配置:YK1850-2P脱水筛

查看详情
甘肃省平凉市日产5000吨石
甘肃省平凉市日产5000吨石

加工物料:石料

生产能力:300t/h

设备配置:YK型圆振动筛

查看详情

推荐产品

?

新乡市国盛机械设备有限公司 豫ICP备14028944号-2 技术支持新乡志远网络公司 ?地 址:新乡市长济高速西出口

.getElementsByTagName("script")[0]; s.parentNode.insertBefore(bp, s); })();
在线咨询
索要报价
销售热线

销售热线:18637334419