鲸鱼体育直播官网_鲸鱼体育直播在线观看免费_鲸鱼体育直播软件

国盛机械 > 产品中心 > 给料机设备 >
盘式给料机

盘式给料机

热销

【进料粒度】:≤50mm

【生产能力】:≤100m3h

【应用范围】:适合用于选煤、选矿、烧结、电力、建材等行业中

【产品介绍】:圆盘给料机其实就是一款定量给送设备,它可以将物料均匀的送到下一道设备中,不仅节省了人力劳动,还避免了忽多忽少的给料对设备造成的损坏,在一定程度上延长了整个生产线设备的使用寿命

销售热线: 18637334419

盘式给料机

      圆盘给料机其实就是一款定量给送设备,它可以将物料均匀的送到下一道设备中,不仅节省了人力劳动,还避免了忽多忽少的给料对设备造成的损坏,在一定程度上延长了整个生产线设备的使用寿命。从外观上看,圆盘给料机可以分为BR封闭式和KR敞开式两种,不管哪种形式的设备,喂送量都比较大,尤其是比较适合输送那些流动性不好的粉状物料和非粘性物料,特别适合用于选煤、选矿、烧结、电力、建材等行业中。
 
圆盘给料机

产品特点

1.设备的结构简单,但是给料量大,能够较大程度的满足客户需要,而且运行特别可靠调节安装工作也比较的方便。
2.设备内部装有限矩型液力偶合器能满载启动过载?;ぃ⑶夷芄怀惺芙洗蟮牟盅?,是给料工序的首选设备。
3.给料匀速,整个给送过程几乎不存在物料堆积的现象发生,在给送物料上,除了不易给送粘性物料和流动性好的物料,其它粉状、粒状或小颗粒物料均可给送。
4.采用了先进的平面二次包络环面骡杆减速器设计承载能力大传动效率高。
5.如果是给送煤炭物料,大给料量可达1200吨/小时。
6.衬板由小块耐磨钢板拼成这样不仅更换时轻便容易而且可以根据实际磨损情况有针对性地更换磨损了的衬板块从而使材料合理利用降低维修费。
 
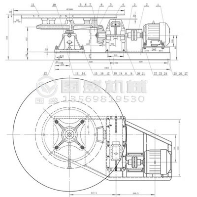
圆盘给料机工作原理

盘式给料机原理

      圆盘给料机的电动机通过皮带的转动再带动减速机运行,使得圆盘匀速的绕一侧方向旋转,物料进入圆盘上的衬板之后,就会跟着圆盘一起转动,旋转到一定位置,物料就会被衬板上的刮刀刮出去,进入下一道工序,达到给料的目的。
      圆盘给料机由驱动装置、给料机本体、计量用带式输送机和计量装置组成,圆盘给料机和皮带输送机由一套驱动装置驱动,该驱动装置的电磁离合器具有实现给料机的开、停和兼有功能转换的作用。
 
圆盘给料机型号

技术参数

型号规格 BR1000 BR1500 BR2000 KR1000 KR1500 KR2000
圆盘直径mm 1000 1500 2000 1000 1500 2000
圆盘转速r/min 6.3 6.3 4.79 7.5 7.5 7.5
*大物料粒度mm <50 <50 <50 <50 <50 <50
给料能力m³/h 13 30 80 14 25 100
电动机 交流传动 Y132S-6 Y160M-6 Y160L-6 Y112M-6 Y132M2-6 Y160L-6
3 7.5 11 2.2 5.5 11
380 380 380 380 380 380
940 970 970 940 960 970
直流传动 Z2-51 Z2-62 Z2-72 Z2-42 Z2-61 Z2-72
3 7.5 13 2.2 3.5 13
220 220 220 220 220 220
250-1000 250-1000 250-1000 250-1000 250-1000 250-1000
减速机 型号 ZS50-3 ZS75-3 ZS-82.5 JZQ350-Ⅲ JZQ400-Ⅲ JZQ500-Ⅲ
速比 63 63 87 31.5 31.5 31.5

注意事项

1、该设备在发货时,大部分都是整机发货,所以设备在到达运行现场时,要仔细检查一番,避免发货路上有部件被遗漏丢失。
2、在卸货时,一般会用钢丝绳吊卸,禁止用钢丝绳拴住圆盘整机起吊,避免损坏圆盘,要拴住机架的整机起吊卸货。
3、如果是拆卸式发货,各个配件在达到运行现场之后,要按照生产厂家提供的附件图纸尺寸进行安装,必要时设置地脚螺栓进行紧固设备。
4、安装时尤其是料仓的中心一定要找准,中心距离的偏差不得超过5毫米,避免影响喂送效果。
5、圆盘下方的槽钢柱要紧固到位,圆盘必须要水平放置,不得有一丁点的倾斜,偏差值不得大于千分之零点五。
 
BR封闭式圆盘给料机

 
圆盘给料机注意事项

维护保养

1、日常要保证给料圆盘的耐磨衬板紧固牢靠,不得有一丝松动,如果磨损的比较严重,要及时更换新的替补,避免出现更大的设备故障问题。
2、润滑脂是设备各个转动部位的必要品,要确保润滑良好,有油杯的部位要保证油量适中,不得有缺油的现象。
3、设备的升降调节装置是很重要的部件,要完整齐全,稍一不可,调节螺杆要转动灵活,自如,特别是和槽体的伸缩筒连接处要牢固,不得松动,并且不得有缺口的缺陷。
4、设备长时间的给送物料,难免会对设备的螺旋导料板产生平面磨损,但是磨损间隙不得超过10毫米,一旦超过势必会影响给料质量效果。
5、导料刮板在设备中起着重要的作用,日常要加强对其保养,与圆盘要紧固连接,如果是带弧形的导料板,要将弧形耙齿也与圆盘紧固到位, 磨损严重有短缺或变形的都要及时更换。
6、在设备的卸料端,会有卸料刮板,在安装工序中角度的大小要符合工艺要求,与圆盘的平面大间隙不得超过12毫米。
 
圆盘给料机日常保养

客户案例

感谢泥浆处理站王经理的
感谢泥浆处理站王经理的

加工物料:泥浆

生产能力:450m3/h

设备配置:YK1850-2P脱水筛

查看详情
我为车间劳动者击掌
我为车间劳动者击掌

加工物料:化工原料

生产能力:660-770t/h

设备配置:5台FZC3.5/1.2-5.5振动放矿机

查看详情
建筑垃圾再生处理生产线
建筑垃圾再生处理生产线

加工物料:建筑垃圾

生产能力:≤100m3h

设备配置:圆盘给料机

查看详情
甘肃省平凉市日产5000吨石
甘肃省平凉市日产5000吨石

加工物料:石料

生产能力:300t/h

设备配置:YK型圆振动筛

查看详情

推荐产品

?

新乡市国盛机械设备有限公司 豫ICP备14028944号-2 技术支持新乡志远网络公司 ?地 址:新乡市长济高速西出口

.getElementsByTagName("script")[0]; s.parentNode.insertBefore(bp, s); })();
在线咨询
索要报价
销售热线

销售热线:18637334419